Adres
16100, 5.cd No: 13
Hasanağa Organize Sanayi Bölgesi, Nilüfer/Bursa
Çalışma Saatleri
Haftaiçi: 09:00 - 18:00
A Tipi:
Kompresif destek (sarmal yaylı). Başlangıç pozisyonunda destek başlığı içteki yayın etkisiyle en üstte olur. İş parçası yatırıldığında ağırlığıyla destek başlığını aşağı doğru iterek senkron hareket eder. İş parçası tutucuya güvenle yerleştiğinde hareket durur, ardından hidrolik basınçla silindir kilitleyerek iş parçasına destek sağlar ve hareketi durdurur.
B Tipi:
Yüksek basınçlı destek (hidrolikli). Başlangıç pozisyonunda destek başlığı en alttadır. İş parçası yerleştirildikten sonra silindire hidrolik basınç verilir, destek başlığı yukarı doğru hareket eder. İş parçasına temas ettiğinde anında hareket durur ve devam eden basınçla kilitleme yapılır. Böylece destek başlığı, iş parçasına sabit destek sağlayarak hareketi durdurur.
Kullanım Basıncı (kgf/cm²) | 20 ~ 70 | 20 ~ 70 | 20 ~ 70 | 20 ~ 70 | 20 ~ 70 | 20 ~ 70 |
Yolculuk (mm) | 8 | 10 | 12 | 14 | 16 | 20 |
Piston Çapı (mm) | Φ15 | Φ16 | Φ20 | Φ22 | Φ25 | Φ30 |
Destek Kuvveti (kgf) / Çalışma Basıncı (kgf/cm²) | 320/70 | 480/70 | 900/70 | 1800/70 | 2300/70 | 3000/70 |
Çalışma Türü | Tek Etkili (Single Acting) | Tek Etkili (Single Acting) | Tek Etkili (Single Acting) | Tek Etkili (Single Acting) | Tek Etkili (Single Acting) | Tek Etkili (Single Acting) |

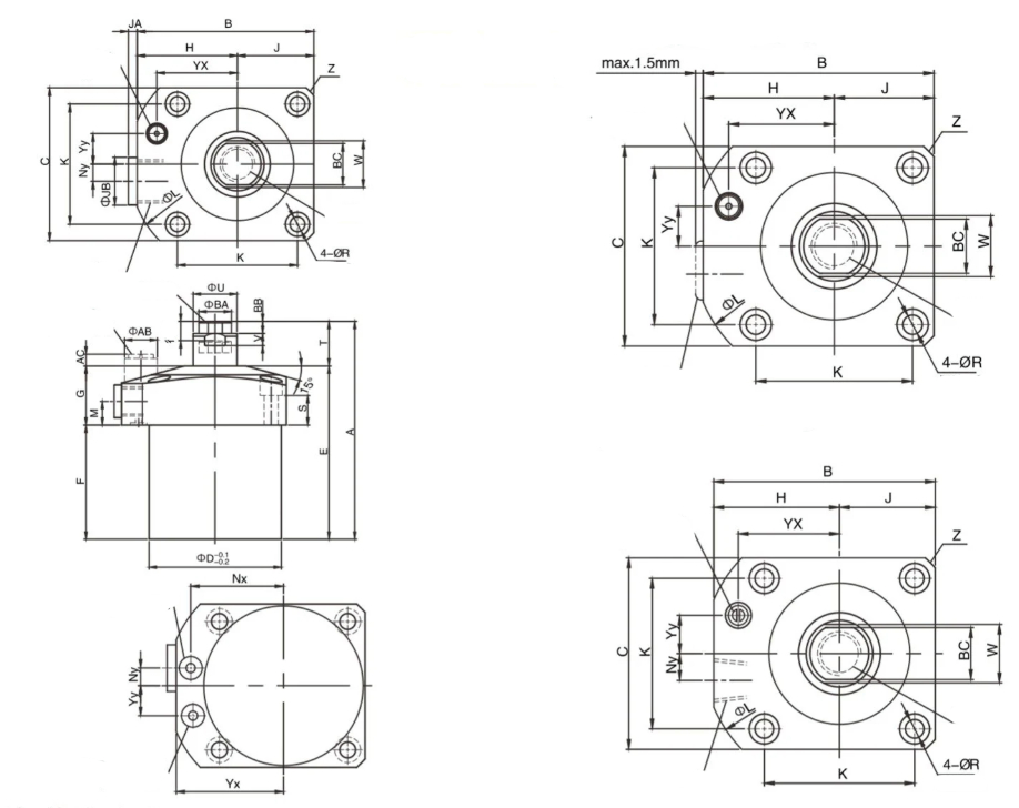
Birim: mm
| Özellik | HWS-040AL | HWS-048AL | HWS-055AL | HWS-065AL | HWS-075AL | HWS-090AL | ||
|---|---|---|---|---|---|---|---|---|
| A | 75 | 85 | 97 | 115 | 142 | 169 | ||
| B | 54 | 61 | 69 | 81 | 92 | 107 | ||
| C | 45 | 51 | 60 | 70 | 80 | 95 | ||
| D | 40 | 48 | 55 | 65 | 75 | 90 | ||
| E | 56 | 64 | 70 | 85 | 107 | 128 | ||
| F | 31 | 39 | 45 | 56 | 72 | 88 | ||
| G | 25 | 25 | 25 | 29 | 35 | 40 | ||
| H | 31.5 | 35.5 | 39 | 46 | 52 | 59.5 | ||
| J | 22.5 | 25.5 | 30 | 35 | 40 | 47.5 | ||
| K | 34 | 40 | 47 | 55 | 63 | 75 | ||
| L | 68 | 73 | 80 | 94 | 106 | 126 | ||
| M | 11 | 11 | 11 | 11 | 13 | 13 | ||
| Nx | 26 | 30 | 33.5 | 39.5 | 45 | 52.5 | ||
| Ny | 5 | 0 | 0 | 0 | 0 | 0 | ||
| P | 3 | 3 | 3 | 5 | 5 | 5 | ||
| Q | 9.5 | 9.5 | 11 | 11 | 14 | 17.5 | ||
| R | 5.5 | 5.5 | 6.8 | 6.8 | 9 | 11 | ||
| S | 14.5 | 13.5 | 11.5 | 14.5 | 17 | 18 | ||
| T | 19 | 21 | 27 | 30 | 35 | 41 | ||
| U | 15 | 16 | 20 | 22 | 25 | 30 | ||
| V | 6 | 6 | 8 | 9 | 9 | 10.5 | ||
| W | 13 | 13 | 17 | 19 | 22 | 24 | ||
| X (Çap x Derinlik) | M10x11 | M10x11 | M12x13 | M12x13 | M12x20 | M12x20 | ||
| Yx | 25 | 28 | 31 | 37 | 42.5 | 50 | ||
| Yy | 8 | 11 | 13 | 14 | 15 | 15 | ||
| Z | c1 | C3 | R40 | R47 | R53 | R63 | ||
| AB | 12 | 12 | 12 | 12 | 12 | 12 | ||
| AC | 5 | 4 | 3.5 | 2 | 1.5 | 0 | ||
| BA | 12.5 | 12.5 | 16.5 | 16.5 | 21.5 | 21.5 | ||
| BB | 4 | 4 | 6 | 6 | 9 | 9 | ||
| BC | 11 | 11 | 14 | 14 | 19 | 19 | ||
| CA | M5x0.8 | M5x0.8 | M6 | M6 | M8 | M10 | ||
| JA | 3.5 | 3.5 | 3.5 | 3.5 | 4.5 | 4.5 | ||
| JB | 14 | 14 | 14 | 14 | 19 | 19 | ||
| Yolculuk (Stroke) | 8 | 10 | 12 | 14 | 16 | 20 | ||
| Yağ Girişi | -C Tipi | G1/8 | G1/8 | G1/8 | G1/8 | G1/4 | G1/4 | |
| -S Tipi | Rc1/8 | Rc1/8 | Rc1/8 | Rc1/8 | Rc1/4 | Rc1/4 | ||
| R Sızdırmazlık Kapak | -G Tipi | Rc1/8 | Rc1/8 | Rc1/8 | Rc1/8 | Rc1/4 | Rc1/4 | |
| O-Ring Sızdırmazlık (-C/-G Tipi) | P5 / P5 / P5 / P7 / P7 / P7 | |||||||
| Hava Çıkışı | Rc1/8 | |||||||